装修案例
1200+标准案例,每个风格都精心设计
|
华为UPS5000-S-600kVA 用户手册,UPS5000-S-600kVA 技术手册华为UPS5000-S-600kVA 用户手册,UPS5000-S-600kVA 技术手册 型号说明 图2-1 UPS 型号标识
表2-1 UPS 型号说明
UPS5000-S-600K-NN 采用 50kVA 功率模块,最大可扩容至 600kVA,向下兼容至 50kVA,本文 只介绍 600kVA 的规格。
2.2 工作原理
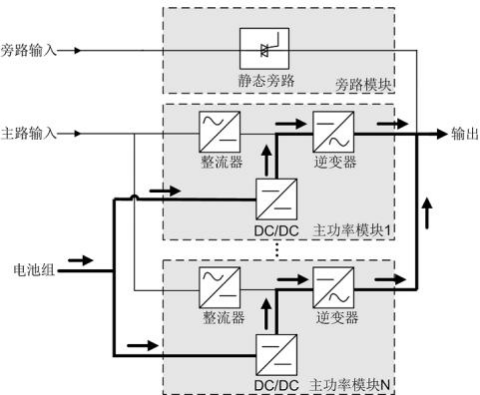
2.2.1 原理框图 UPS5000 属于在线式产品,采用模块化技术,易维护,易扩容。模块均采用 DSP (Digital Signal Processing)智能控制,功率模块由整流器、逆变器和 DC/DC 构成,通 过高频开关技术,将输入变换为纯净的、高质量的正弦波输出。
图2-2 原理框图
2.2.2 工作模式 2.2.2.1 主路模式 UPS 正常工作模式,AC 输入经过整流器整流,由AC 变换成 DC,再经逆变器逆变,
2.2.2.2 旁路模式
2.2.2.3 联合供电模式
2.2.2.4 电池模式
2.2.2.5 ECO 模式
2.3.1 产品外观 图2-8 UPS 外观
图2-9 产品结构
(1)功率模块 (2)控制模块 (3)主路防雷盒
图2-10 功率模块外观
(1)限位锁 (2)工作指示灯 (3)告警指示灯 (4)故障指示灯 (5)就绪开关 (6)输出端口 (7)输入端口
表2-2 指示灯说明
功能 主功率模块主要由 PFC 整流器和逆变器构成,其功能是将主路和电池输入经由 AC/DC 或 DC/DC 变换后,稳定 BUS 电压,然后经由逆变器(DC/AC)转换为正弦波输出。 规格特性 l 外形尺寸:130mm(高)×442mm(宽)×620mm(深) l 重量:≤ 35kg l 额定输出能力:50kVA/50kW
图2-11 600kVA 旁路模块外观
(1)限位锁 (2)就绪开关 (3)故障指示灯 (4)告警指示灯 (5)工作指示灯 (6)电池冷启动按键 (7)助力扳手 (8)辅助电源
表2-3 指示灯说明
以下情况时旁路供电: 在 ECO 模式且旁路电压在设定的范围内时旁路供电。 功率模块过载超时旁路供电。 主备 ECM 均异常后旁路接管供电。 系统运行异常转旁路供电。 手动转旁路供电。
规格特性 l 外形尺寸:600mm(高)×200mm(宽)×627.5mm(深) l 重量:≤ 50kg |
Copyright @ 2018 . All rights reserved.

















